E-836 Kompakter Piezoverstärker / OEM-Modul
Piezoaktoren dynamisch betreiben mit preisgünstigen, rauscharmen Verstärkern
- OEM-Modul und Tischgerät
- Spitzenstrom bis 100 mA
- Einfach zu integrieren
- Kein Spannungspuls beim Ein- und Ausschalten
- Betriebsspannung 24 V
Einkanal-Piezoverstärker: OEM-Modul oder Tischgerät
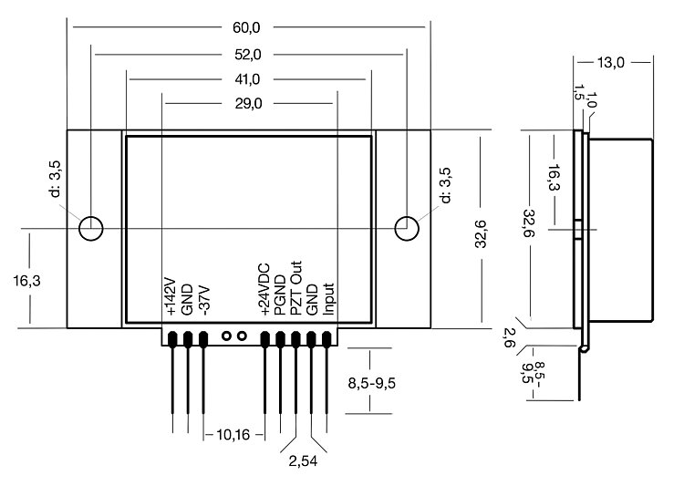
Kompaktes OEM-Modul in geschirmtem Metallgehäuse; einfache Integration über Lötstifte zur Platinenmontage; ideal zum Aufbau mehrkanaliger Lösungen. Tischgerät für Laboranwendungen und schnelle Inbetriebnahme. Betriebsspannung 24 V, Piezospannung und andere Versorgungsspannungen werden intern erzeugt.
Funktionen
Rauscharmer Leistungsverstärker. Verstärkungsfaktor 10. Ausgangsspannungsbereich -30 bis 130 V. Kurzschlussfest, Überstrom- und Übertemperaturschutz.
Einsatzgebiete
Preisgünstige Ansteuerung von PICMA® Stack oder PICMA® Chip Piezoaktoren in OEM-Anwendungen.
Spezifikationen
Spezifikationen
Verstärker | E-836.03 | E-836.1G |
|---|---|---|
Eingangsspannungsbereich | -2 bis 12 V | -2 bis 12 V |
Ausgangsspannung | -30 bis 130 V | -30 bis 130 V |
Spitzenstrom (<8 ms) | 100 mA | 100 mA |
Dauerausgangsstrom | 50 mA | 50 mA |
Strombegrenzung | Kurzschlussfest | Kurzschlussfest |
Spannungsverstärkung | 10 ±0,1 | 10 ±0,1 |
Welligkeit, Rauschen, 0 bis 100 kHz | 0,8 mVrms | 0,8 mVrms |
Grundlast (intern) | 10 nF | 10 nF |
Ausgangsimpedanz | 5 Ω | 5 Ω |
Eingangsimpedanz | 0,5 MΩ | 1 MΩ |
Umgebung | E-836.03 | E-836.1G |
|---|---|---|
Anschlüsse | Lötstifte, Ø 0,7 mm | BNC, LEMO Hohlstecker (Netzteil) 1-Gang Potentiometer, addiert 0 bis 10 V zur Eingangsspannung |
Betriebstemperaturbereich | 5 bis 50 °C | 5 bis 50 °C |
Übertemperaturschutz | Abschaltung bei 85 °C | Abschaltung bei 85 °C |
Betriebsspannung | 24 V DC ±10 % | 24 V DC ±10 %, im Lieferumfang: externes Netzteil mit 24 V / 2,0 A |
Leistungsaufnahme (max.) | 10 W | 16 W |
Stromaufnahme (max.) | 0,5 A | 0,65 A |
Downloads
Datenblatt
Dokumentation
Benutzerhandbuch PZ250
E-836.1G Piezoverstärker, 1 Kanal, Tischgerät, -30 bis 130 V
Benutzerhandbuch E836T0001
E-836.03 Piezoverstärker, OEM-Modul, 1 Kanal, -30 bis 130 V
Angebot / Bestellung
Fordern Sie ein unverbindliches Angebot über gewünschte Stückzahlen, Preise und Lieferzeiten an oder beschreiben Sie Ihre gewünschte Modifikation.
Angebot anfordern
Kontaktieren Sie uns!
Erhalten Sie innerhalb kürzester Zeit per E-Mail oder Telefon eine Rückmeldung zu Ihren Fragen von einem PI Ceramic Vertriebsingenieur.



















