DuraAct Flächenwandler; DuraAct piezoaktorischer Antrieb; 35 mm × 61 mm × 0,4 mm (B × L × TH); lötbare Kontakte
P-876 DuraAct Flächenwandler
Biegsam und robust
- Einsatz als Aktor, Sensor oder Energieerzeuger
- Kostengünstig
- Minimale Biegeradien bis 12 mm
- Kompakte Bauweise
- Individuelle Lösungen








Flächenwandler
Funktionalität als Aktor- und Sensorkomponente. Nominale Betriebsspannung von 100 bis zu 1000 V, je nach aktiver Schichthöhe. Mögliche Energieerzeugung für autarke Systeme bis in den Milliwattbereich. Applizierbar auch auf gekrümmten Flächen.
Robuster, kostengünstiger Aufbau
Laminierte Struktur aus einer piezokeramischen Platte, Elektroden und Polymermaterialien. Herstellung durch blasenfreies Injektionsverfahren. Die Polymerummantelung dient gleichzeitig als elektrische Isolierung und als mechanische Vorspannung, so dass der DuraAct biegsam ist.
Sonderausführungen und andere Spezifikationen auf Anfrage
- Flexible Wahl der Größe
- Flexible Wahl der Dicke und damit der Biegsamkeit
- Flexible Wahl des piezokeramischen Materials
- Variable Gestaltung der elektrischen Anschlüsse
- Kombinierte Aktor/Sensor-Applikationen, auch mit mehreren Piezokeramikschichten
- Multilayer-Piezoelemente
- Feldanordnungen (Array)
Einsatzgebiete
Industrie und Forschung. Applizierbar auch auf gekrümmten Flächen, oder zur Integration in Strukturen. Für adaptive Systeme, Energy Harvesting, Strukturüberwachung (Structural Health Monitoring).
Spezifikationen
Spezifikationen
| Bewegen | P-876.A11 | P-876.A12 | P-876.A15 | P-876.SP1 | Toleranz |
|---|---|---|---|---|---|
| Minimale laterale Kontraktion | 400 µm/m | 650 µm/m | 800 µm/m | 650 µm/m | |
| Relative laterale Kontraktion | 1,6 µm/m/V | 1,3 µm/m/V | 0,64 µm/m/V | 1,3 µm/m/V | |
| Antriebseigenschaften | P-876.A11 | P-876.A12 | P-876.A15 | P-876.SP1 | Toleranz |
| Betriebsspannung | -50 bis 200 | -100 bis 400 | -250 bis 1000 | -100 bis 400 | |
| Antriebstyp | DuraAct | DuraAct | DuraAct | DuraAct | |
| Aktortyp | Transducer | Transducer | Transducer | Transducer | |
| Piezomaterial | PIC255 | PIC255 | PIC255 | PIC255 | |
| Piezokeramikhöhe | 100 µm | 200 µm | 500 µm | 200 µm | |
| Elektrische Kapazität | 150 nF | 90 nF | 45 nF | 8 nF | ±20 % |
| Mechanische Eigenschaften | P-876.A11 | P-876.A12 | P-876.A15 | P-876.SP1 | Toleranz |
| Minimaler Biegeradius | 12 mm | 20 mm | 70 mm | ||
| Blockierkraft | 90 N | 265 N | 775 N | 280 N | |
| Anschlüsse und Umgebung | P-876.A11 | P-876.A12 | P-876.A15 | P-876.SP1 | Toleranz |
| Betriebstemperaturbereich | -20 bis 150 °C | -20 bis 150 °C | -20 bis 150 °C | -20 bis 150 °C | |
| Anschluss | lötbare Kontakte | lötbare Kontakte | lötbare Kontakte | lötbare Kontakte | |
| Empfohlene Controller / Treiber | E-413, E-821, E-835 | E-413, E-821, E-835 | E-413, E-821, E-835 | E-413, E-821, E-835 |
Sonderausführungen und andere Spezifikationen auf Anfrage.
Downloads
Datenblatt
Dokumentation
Benutzerhandbuch P876T0001
P-876, P-878 DuraAct und DuraAct Power Flächenwandler
Angebot / Bestellung
Fordern Sie ein unverbindliches Angebot über gewünschte Stückzahlen, Preise und Lieferzeiten an oder beschreiben Sie Ihre gewünschte Modifikation.
DuraAct Flächenwandler; DuraAct piezoaktorischer Antrieb; 35 mm × 61 mm × 0,5 mm (B × L × TH); lötbare Kontakte
DuraAct Flächenwandler; DuraAct piezoaktorischer Antrieb; 35 mm × 61 mm × 0,8 mm (B × L × TH); lötbare Kontakte
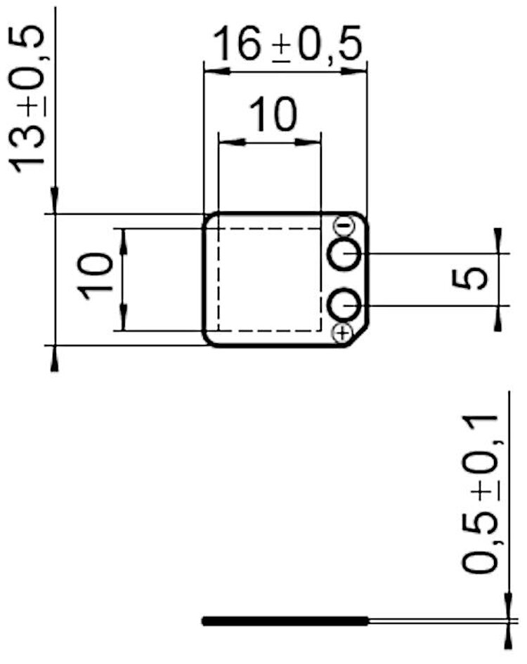
DuraAct Flächenwandler; DuraAct piezoaktorischer Antrieb; 13 mm × 16 mm × 0,5 mm (B × L × TH); lötbare Kontakte
Angebot anfordern
Kontaktieren Sie uns!
Erhalten Sie innerhalb kürzester Zeit per E-Mail oder Telefon eine Rückmeldung zu Ihren Fragen von einem PI Ceramic Vertriebsingenieur.












